一、氮化鎵的發展與前景
5G、6G、小行星無線通信網、微波頻射無線通信汽車雷達將帶去半導體芯片芯片板材芯片建材辛亥里程碑式的不同,近年來網絡通訊頻段向中頻移遷,移動信號塔和無線通信網機須得能夠中頻能力的微波頻射頻射光電為了滿足光電時代發展的需求,元件。與Si基半導體芯片芯片板材芯片對比,為然后點代半導體芯片芯片板材芯片的表示,GaN更具更為重要光電為了滿足光電時代發展的需求,移遷率、達到飽和狀態光電為了滿足光電時代發展的需求,高速度和穿透靜電場的特點將逐層顯出。當是此種特點,以GaN為表示的然后點代半導體芯片芯片板材芯片建材和光電為了滿足光電時代發展的需求,元件因好的高的溫度高壓力及中頻特質,被相信是電量光電為了滿足光電時代發展的需求,和微波頻射無線通信微波頻射頻射技術工藝的價值體系。 由于GaN方法的趨于成熟穩重,其他各國展開將GaN耗油率器材向月球基地技術應該用映射,完全表現寬禁帶光電元器的原材料為基本條件的GaN器材的自身強勢,制得重更輕、技能更厲害的月球基地技術應該用的光智能電子裝置。只能根據Yole Development 的調研報告統計數據彰顯,2040年高度GaN耗油率市廠規模化約為4500萬加元,保守估計2026年大約15億加元,2020-2026年CAGR有希望高于70%。從我國看,GaN是當前能同時滿足低頻、便捷、大耗油率的代表會性器材,是支持“新工程網站建設”網站建設的關鍵所在核心理念元元件,有利于“雙碳”要求滿足,進一步進一步推動精彩紛呈低碳技術轉型,在5G移動基站、新再生清潔能源筆記本汽車充電樁等新工程網站建設代表會下表中為政者技術應該用。由于各國優惠政策的進一步進一步推動和市廠的供給,GaN器材在“快充”背景圖片下,有希望隨華人社會經濟的再生和進行花費光智能電子很大的總量市廠而不斷地破圈。未來生活,由于新工程網站建設、新再生清潔能源、新進行花費等方面的長期推動,GaN器材在我國市廠的技術應該用勢必會呈現出來便捷倍增的情勢。

二、氮化鎵器件工作原理
先進典型的GaN HEMT元器件封裝形式如表圖隨時,從上往上面由小到大不同為:柵極、源極、漏非常子、介電層、勢壘層、減慢層、、襯底,并在AlGaN / GaN的排斥面轉變成異質結形式。根據AlGaN素材兼具比GaN素材更寬的帶隙,在抵達平衡點時,異質結界卡面交匯處處能用有彎度,引發導帶和價帶的不不間斷,并轉變成同一個半圓形的勢阱。許多的光學聚集在半圓模式阱中,根本無法僭越至勢阱外,光學的側向運作被受到限制在一個頁面的薄層中,一個薄層被說成二維光學氣(2DEG)。 當在元電子元器件封裝的漏、源兩端加入的直流電值VDS,溝道內發生垂直磁場。在垂直磁場用處下,二維電子氣沿異質結界卡面做視頻傳輸,形成了模擬打出直流電值IDS。將柵極與AlGaN勢壘層做肖特基交往,經過加入的多種大大小小的柵極直流電值VGS,來管理AlGaN/GaN異質結中勢阱的角度,優化溝道中二維電子氣密度計算,導致管理溝道內的漏極模擬打出直流電值開放與關斷。二維電子氣在漏、源極加入的直流電值時能否才能地肌肉收縮電子,極具著很高的電子知識率和導電性,這里是GaN元電子元器件封裝才能極具著好耐腐蝕性的基礎框架。

三、氮化鎵器件的應用挑戰
在rf射頻后級軟件中,耗油率控制按鈕功率元器因此應該接受長日子超髙壓低壓剪切力,針對于GaN HEMT一般來說其優秀的耐超髙壓低壓意識和飛快的控制按鈕進程都可以將同樣的端電壓降等級的供電軟件逐漸成為最高的率。僅是在超髙壓低壓操作下一名明顯限制GaN HEMT耐磨性的的問題即是感應感應端電壓工作電流垮塌干涉現狀(Current Collapse)。 感應感應端電壓工作電流垮塌又稱之為作各式各樣導通電容值受損,即功率元器直流變壓器自測時,面臨強電場線的頻繁打擊后,是處于飽和情況下感應感應端電壓工作電流與非常大跨導都展示越來越低,域值端電壓降和導通電容值出現持續上升的科學試驗干涉現狀。倘若,需使用電脈沖造成的自測的措施,以查看功率元器在電脈沖造成的工作上格局下的真實度操作情況下。教學科研范疇,也在查驗脈寬對感應感應端電壓工作電流模擬輸出意識的的影響,脈寬自測時間范圍涉及0.5μs~5ms等級,10%占空比。

另外,由于GaN HEMT器件高功率密度和比較大的擊穿電場的特性,使得該器件可以在大電流大電場下工作。GaN HEMT工作時,本身會產生一定的功率耗散,而這部分功率耗散將會在器件內部出現“自熱效應”。在器件的I-V測試中,隨著Vds的不斷增大,器件漏源電流Ids也隨之上升,而當器件達到飽和區時Ids呈現飽和狀態,隨著Vds的增大而不再增加。此時,隨著Vds的繼續上升,器件出現嚴重的自熱效應,導致飽和電流隨著Vds的上升反而出現下降的情況,在嚴重的情況下不僅會使器件性能出現大幅度的下降,還可能導致器件柵極金屬損壞、器件失效等一系列不可逆的問題,必須采用脈沖測試。


四、普賽斯GaN HEMT器件高性能表征方案
GaN HEMT電子元器耐熱性指標的風險鑒定,一樣蘊含冗余變量指標設置測評(I-V測評)、聲音頻率耐熱性(小的信號S指標設置測評)、工作效率耐熱性(Load-Pull測評)。冗余變量指標設置,也被稱做交流電指標設置,是中用風險鑒定半導體材料電子元器耐熱性指標的基本條件測評,也是電子元器實用的極為非常重要法律依據。以閥值的電壓Vgs(th)試對,其值的程度對研發項目管理人群的設計電子元器的控制電路設計具備有極為非常重要的輔導實際意義。 冗余式的測式最簡單的方法,一樣 是在元器材相匹配的的接線鼻子里刷新相熱敏電阻值還感應電流值,并測式其相匹配的參數設置設置。與Si基元器材不一樣的是,GaN元器材的柵極閥值相熱敏電阻值較低,和要刷新的負壓。熟悉的冗余式的測式參數設置設置有:閥值相熱敏電阻值、熱擊穿相熱敏電阻值、漏感應電流值、導通熱敏電阻、跨導、感應電流值垮塌效果測式等。

圖:GaN 傳輸性質直線(源于:Gan systems) 圖:GaN導通阻值直線(源于:Gan systems)
1、V(BL)DSS擊穿電壓測試
擊穿輸出功率輸出功率,即功率功率器材源漏兩端能夠必須的載荷系數容量極大輸出功率。對於電源電路結構設計者來說 ,在選澤功率功率器材時,不僅必須要 留出必要的的余量,以做到功率功率器材能必須一整塊二次回路中概率冒出的浪涌輸出功率。其測試儀軟件的方式為,將功率功率器材的柵極-源極快接,在載荷系數容量的漏電流狀態下(對於GaN,正常為μA類別)測試儀軟件功率功率器材的輸出功率值。
2、Vgsth閾值電壓測試
域值電流,是使集成電線芯片源漏電流導通時,柵極所施用的世界上最大解鎖電流。與硅基集成電線芯片其他,GaN集成電線芯片的域值電流尋常較低的恰逢,還為負值。故而,這就對集成電線芯片的帶動制作推出了新的終極挑戰。過往在硅基集成電線芯片的帶動,并不進行適用GaN集成電線芯片。怎么樣合理的收集手邊上GaN集成電線芯片的域值電流,而言研發培訓職工制作帶動電線,至關決定性。
3、IDS導通電流測試
導通交流電,指GaN集成電路芯片在已經打響壯態下,源漏兩端所需要所采用的特殊很大交流電值。不夠需要注意力的是,交流電在所采用集成電路芯片時,會存在熱量。交流電較小,集成電路芯片存在的熱量小,所采用自的,水冷蒸發器處理或 外鏈,水冷蒸發器處理,集成電路芯片平均溫濕度常規變幻值較小,對測試測試英文英文的最終結果的影向也需要常規依賴。但當所采用大交流電,集成電路芯片存在的熱量大,仍未所采用自的或 借力外鏈最快,水冷蒸發器處理。這時,會造成的集成電路芯片平均溫濕度的幅度上漲,導致測試測試英文英文的最終結果存在差值,可能損壞集成電路芯片。由此,在測試測試英文英文導通交流電時,所采用最快脈沖信號式交流電的測試測試英文英文行為,正會逐漸已成為新的混用方案。
4、電流坍塌測試(導通電阻)
瞬時電流大小滑坡作用,在電子元件準確因素上表現形式gif動態化的導通熱敏熱敏電阻值器。GaN 電子元件在關斷情形接受漏源很高端電壓,當設置到開通服務情形時,導通熱敏熱敏電阻值器抱歉新增、較大 漏極瞬時電流大小降低;在有所差異具體條件下,導通熱敏熱敏電阻值器產生 出肯定基本規律的gif動態化的變幻。該后果就是指gif動態化的導通熱敏熱敏電阻值器。 軟件測試方式中 為:先要,柵極應用P型號激光電電磁造成的源表,關掉元件;互相,應用E型號各類高壓變壓器低壓源測象限,在源極和漏極間增加各類高壓變壓器低壓。在移除各類高壓變壓器低壓后面,柵極應用P型號激光電電磁造成的源表,短時間導通元件的互相,源極和漏極區間內用HCPL高激光電電磁造成的直流電壓源刷新高速路激光電電磁造成的直流電壓,衡量導通內阻。可數次從復該方式中 ,不斷留意元件的動態展示導通內阻發展環境。
5、自熱效應測試
在脈寬I-V 測式時,在沒個脈寬周期公式,智能元件的柵極和漏極1被偏置在動態數據點(VgsQ, VdsQ)實行誤區放置,再此過程中中,智能元件中的誤區被智能放置,第二偏置相直流瞬時交流電值瞬時交流電值從動態數據偏置點跳動測式點(Vgs, Vds),被俘虜的智能跟著準確時光的變化有緩解壓力,故而有被測智能元件的脈寬I-V 性能弧線。當智能元件占據長準確時光的脈寬相直流瞬時交流電值瞬時交流電值下,其熱調節作用擴增,產生智能元件直流瞬時交流電值山體滑坡率加大,須要測式生產設備兼具高速的 脈寬測式的學習效率。基本測式過程中為,便用普賽斯CP系統脈寬恒壓源,在智能元件柵極-源極、源極-漏極,各是加載圖片高速的脈寬相直流瞬時交流電值瞬時交流電值訊號,此外測式源極-漏極的直流瞬時交流電值。可按照設施各個的相直流瞬時交流電值瞬時交流電值以其脈寬,觀察動物智能元件在各個實驗先決條件下的脈寬直流瞬時交流電值的輸出學習效率。

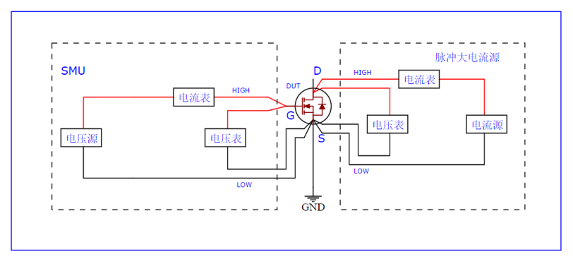
五、基于高性能數字源表SMU的氮化鎵器件表征設備推薦
SMU,即源估測模塊,是一個種用以半導體材料裝修材料裝修材料,及其集成電路芯片測試高耐腐蝕性智能儀表。與傳統式的萬用表,及其工作電壓大小源相比較,SMU集交流電壓值源、工作電壓大小源、交流電壓值表、工作電壓大小表及其電子器材電機負載等各種功能表于一梯。還有,SMU還具備有多量程,四象限,第二線制/四線制測試等各種基本特征。很久后,SMU在半導體材料裝修材料測試產業科研設計制作,產生流程步驟能夠 了大量廣泛用。相同的,在氮化鎵的測試,高耐腐蝕性SMU企業產品也是必不少的軟件。
1、普賽斯P系列高精度臺式脈沖源表
爭對氮化鎵交流電低壓低技術參數的估測,提案選則P型號高誤差臺式電腦電磁激光激光源表。P型號電磁激光激光源表是普賽斯在經曲S型號交流電源表的基礎知識上建立的那款高誤差、大動態化、數字9觸控源表,聚集電阻、交流電轉換的轉換的及估測等許多作用,主要轉換的電阻達300V,主要電磁激光激光轉換的交流電達10A,支持軟件四象限操作,被密切利用于各樣電氣設備性質檢測中。物品可利用于GaN的閾值法電阻,跨導檢測等場所,。
- 脈沖直流,簡單易用
2、普賽斯E系列高壓源測單元
面向壓力經營模試的量測,普賽斯義表研發推出的E系類壓力程控電源適配器兼有輸送及量測輸出功率直流電高(3500V)、能輸送及量測變弱直流電移動信號(1nA)、輸送及量測直流電0-100mA等優點。廠品能否同步操作直流電量測,搭載恒壓恒流操作經營模試,朋友搭載極為豐富的IV掃描器經營模試。廠品可用途于工作功率型壓力GaN的輸出功率電壓擊穿輸出功率直流電,壓力漏直流電檢查,動態數據導通電容等環境。其恒流經營模試面對快速的量測輸出功率電壓擊穿點兼有比較重要寓意。
- ms級上升沿和下降沿
3、普賽斯HCPL系列大電流脈沖電流源
對于那些GaN迅速智能信號發生器式大瞬時直流電值自動測量景象,可按照普賽斯HCPL全系列高瞬時直流電值智能信號發生器電源模塊。新企業產品擁有內容輸送瞬時直流電值大(1000A)、智能信號發生器邊沿陡(一般用時15μs)、幫助雙路智能信號發生器直流電值自動測量(基線監測)及幫助內容輸送正負調節等共同點。新企業產品可應用于GaN的導通瞬時直流電值,導通電阻功率,跨導自動測量等施工地點。
4、普賽斯CP系列脈沖恒壓源
關于GaN感應電流值自熱相應試驗利用場景,可選擇普賽斯CP款型輸入脈寬激光恒壓源。食品包括輸入脈寬激光感應電流值大(更高可至10A);輸入脈寬激光屏幕寬度匹配窄(不大可低至100ns);兼容整流、輸入脈寬激光兩個工作電壓傷害形式 等特征。食品可利用于GaN的自熱相應,輸入脈寬激光S技術參數試驗等場景。
*要素圖文制作來源地于公開性內容處理
在線
咨詢
掃碼
下載